Dispositivos parametrizados: tubos circulares, ovoides e galerias. Simples, Duplo e Triplo.
As bocas de bueiro são: concreto armado, concreto ciclópico, alvenaria de blocos e ala de galeria.
Ainda faltam alas especiais de tubos ovoides e metálicos. deve sair essa semana.
Isso tudo estará na próxima versão do C3DRENESG (https://tbn2net.com/C3DRENESG4)
Quer saber mais? entre em contato comigo!!!
Tá ficando interessante!!!
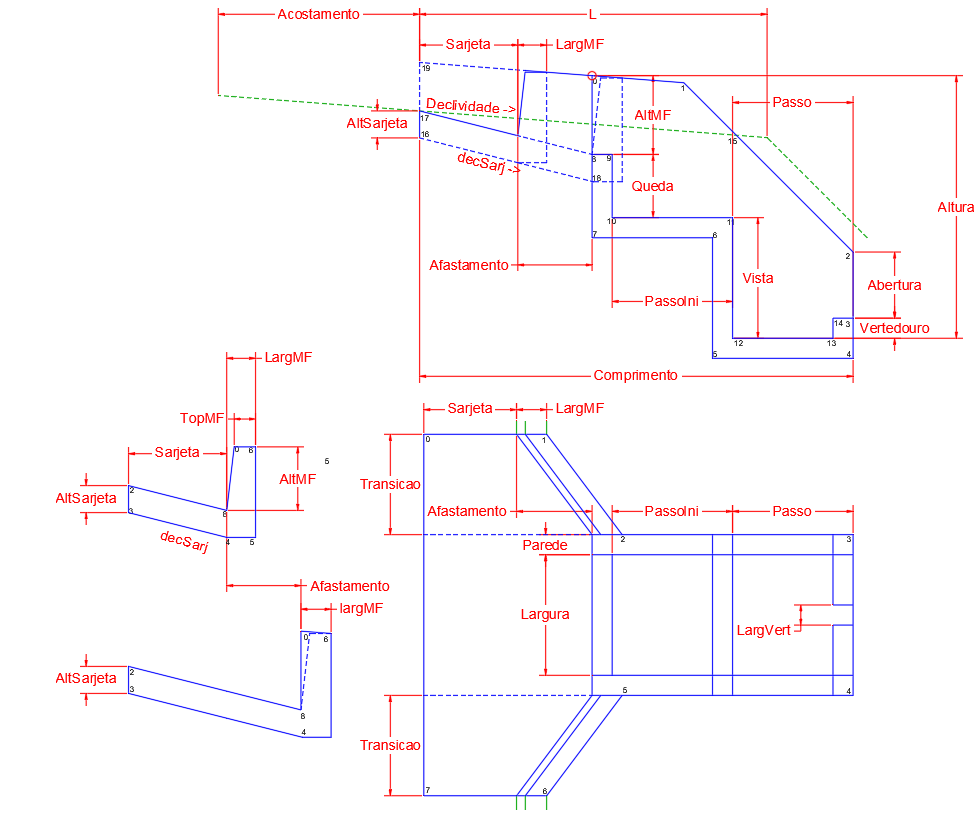
As seções irão calcular os parâmetros hidráulicos, escavação, validar regras, tem estilos... Aliás, olha esta projeção:
Na imagem, vemos a planta e o perfil do lado esquerdo e a vista 3D do lado direito.
No quadro de parâmetros, vemos as propriedades da ala selecionada.
O programa irá listar estas mesmas propriedades para o NAVISWORKS via Property Set:
O programa também irá manipular o QTO (quantity take off), facilitando a obtenção de quantidades dos mais variados serviços:
As regras podem ser construídas dinamicamente, assim uma infinidade de verificações pode ser facilmente:
E os Estilos? Sim, podem ser aplicados estilos variados, por exemplo:
O que? Mais dispositivos? Toma!!!
Já tem escada, descida, tubos, alas, PV, caixa, valetas, sarjetas e canaletas, sim padrão DNIT e DER-SP (logo terá mais!!)
O que, Você quer os dispositivos em verdadeira grandeza, para colocar no Infraworks? Na hora!
Tá eu quero ver é no Civil 3D:
Mais? Que tal locar a estrutura pela estaca/offset do eixo:
Ah, sei que você vai perguntar: E as tabelas? Sai uma nota de serviço disso?? Mas é claro, veja este exemplo:
É possível formatar o estilo que a tabela terá, incluindo colunas, cabeçalhos e títulos, por exemplo:
E sim, dá pra exportar para o Excel, ou HTML
Vai ser possível calcular uma rede de esgoto? E drenagem? E superficial?
Sim, o objetivo é este!! Veja:
Ah eu já tenho uma rede calculada no C3DRENESG4, dá pra importar para este novo programa?
É claro!, veja o DWG que vai com o C3DRENESG4, convertido para o novo programa (com um comando apenas!!):
Escavação?
Sim, com nota de serviço e tudo:
O programa está crescendo!!!
E quem tem a licença do C3DRENESG4? Como fica?
Fica bem, é claro! Quem tem a licença permanente terá desconto ao adquirir a licença do novo programa.
Bom, por hora é isso, aguardo seu contato, sugestões serão muito bem vindas!!!
As bocas de bueiro são: concreto armado, concreto ciclópico, alvenaria de blocos e ala de galeria.
Ainda faltam alas especiais de tubos ovoides e metálicos. deve sair essa semana.
Isso tudo estará na próxima versão do C3DRENESG (https://tbn2net.com/C3DRENESG4)
Quer saber mais? entre em contato comigo!!!
Tá ficando interessante!!!
As seções irão calcular os parâmetros hidráulicos, escavação, validar regras, tem estilos... Aliás, olha esta projeção:
Na imagem, vemos a planta e o perfil do lado esquerdo e a vista 3D do lado direito.
No quadro de parâmetros, vemos as propriedades da ala selecionada.
O programa irá listar estas mesmas propriedades para o NAVISWORKS via Property Set:
O programa também irá manipular o QTO (quantity take off), facilitando a obtenção de quantidades dos mais variados serviços:
As regras podem ser construídas dinamicamente, assim uma infinidade de verificações pode ser facilmente:
E os Estilos? Sim, podem ser aplicados estilos variados, por exemplo:
O que? Mais dispositivos? Toma!!!
Já tem escada, descida, tubos, alas, PV, caixa, valetas, sarjetas e canaletas, sim padrão DNIT e DER-SP (logo terá mais!!)
O que, Você quer os dispositivos em verdadeira grandeza, para colocar no Infraworks? Na hora!
Tá eu quero ver é no Civil 3D:
Mais? Que tal locar a estrutura pela estaca/offset do eixo:
Ah, sei que você vai perguntar: E as tabelas? Sai uma nota de serviço disso?? Mas é claro, veja este exemplo:
É possível formatar o estilo que a tabela terá, incluindo colunas, cabeçalhos e títulos, por exemplo:
E sim, dá pra exportar para o Excel, ou HTML
Vai ser possível calcular uma rede de esgoto? E drenagem? E superficial?
Sim, o objetivo é este!! Veja:
Ah eu já tenho uma rede calculada no C3DRENESG4, dá pra importar para este novo programa?
É claro!, veja o DWG que vai com o C3DRENESG4, convertido para o novo programa (com um comando apenas!!):
Escavação?
Sim, com nota de serviço e tudo:
O programa está crescendo!!!
E quem tem a licença do C3DRENESG4? Como fica?
Fica bem, é claro! Quem tem a licença permanente terá desconto ao adquirir a licença do novo programa.
Bom, por hora é isso, aguardo seu contato, sugestões serão muito bem vindas!!!















 
 



